台灣自行研發製造的高精度氣靜壓高精度轉台,採用非接觸式氣靜壓軸承科技,相較於傳統的滾珠軸承主軸,具有高運動精度、低振動、高剛性、低噪音、優秀的阻尼及高潔淨度等優勢。面對半導體的高精度加工或量測轉台需求,本氣靜壓轉台在長時間精度維持、重現性保持、低熱變位有著優秀表現。本公司亦提供客製化服務以滿足客戶的各式應用。
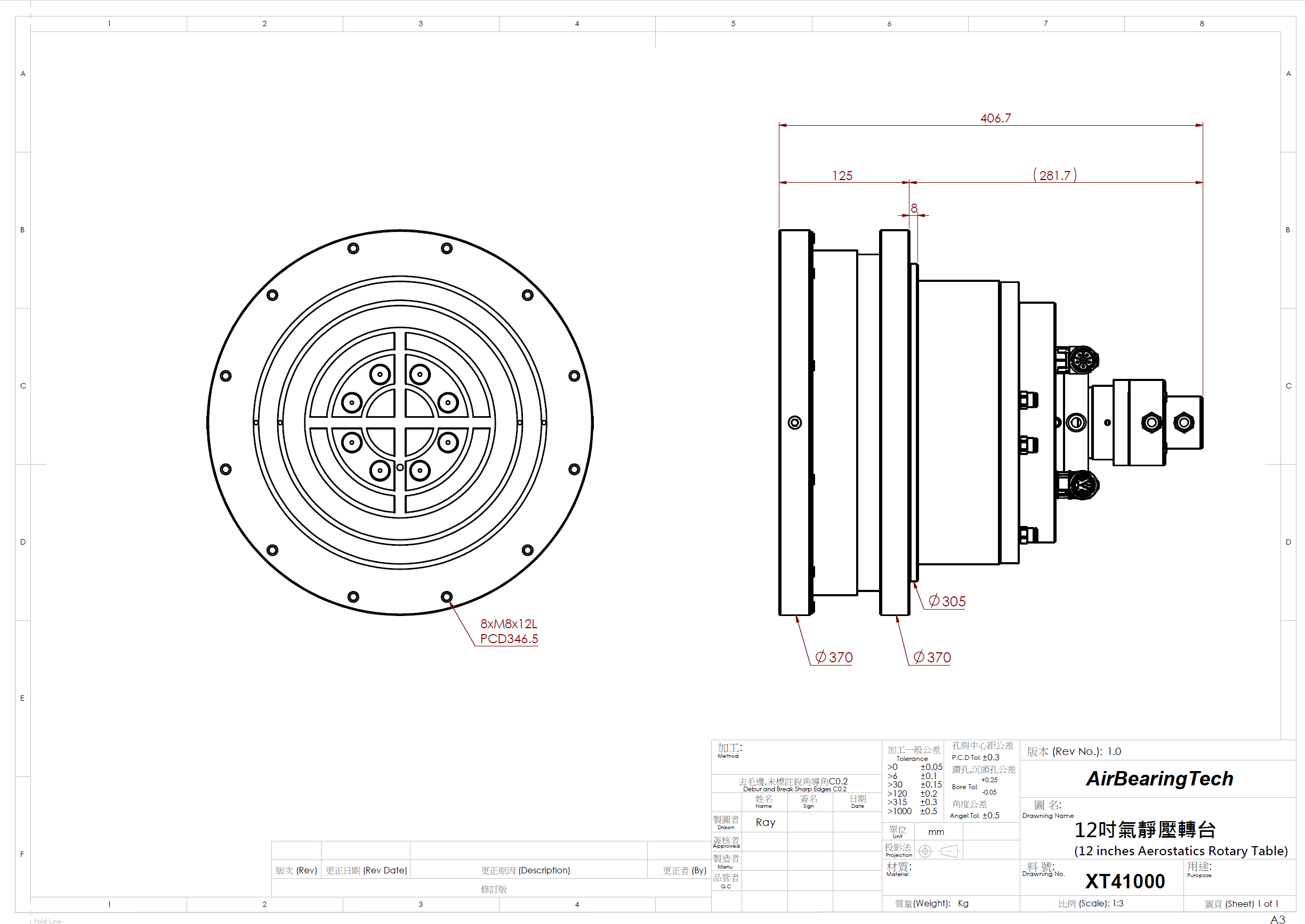
全新一代的XT41000氣靜壓12吋轉台,提供了優秀的迴轉精度,端面偏擺<1um,超低的震動跟優秀的阻尼,非常適合精密機械加工/晶圓加工/晶圓減薄/晶圓量測等應用。XT34000氣靜壓研磨主軸採用內藏式DD直驅電機,提供了大功率及穩定的旋轉平台、超低的震動。
應用:
適用於矽晶圓、晶圓再生、矽晶圓研磨減薄、藍寶石基板、GaAs/GaN晶圓、SiC晶圓研磨減薄加工、晶圓基板量測平台以及精密機械加工。
優點:
- 空氣靜壓軸承(Aerostatic Bearing) 科技
- 適用12吋(300mm)/8吋(200mm)真空吸盤
- 可提供客製化真空吸盤介面
- 內藏式DD直驅電機,超低震動。
- 可選配單通道/雙通道迴轉街頭
- 高精密迴轉精度(Low Error-Motion)
- 高剛性/高承載力設計結構
- 迴轉速度變動量小
- 可選配編碼器,轉速誤差小。


