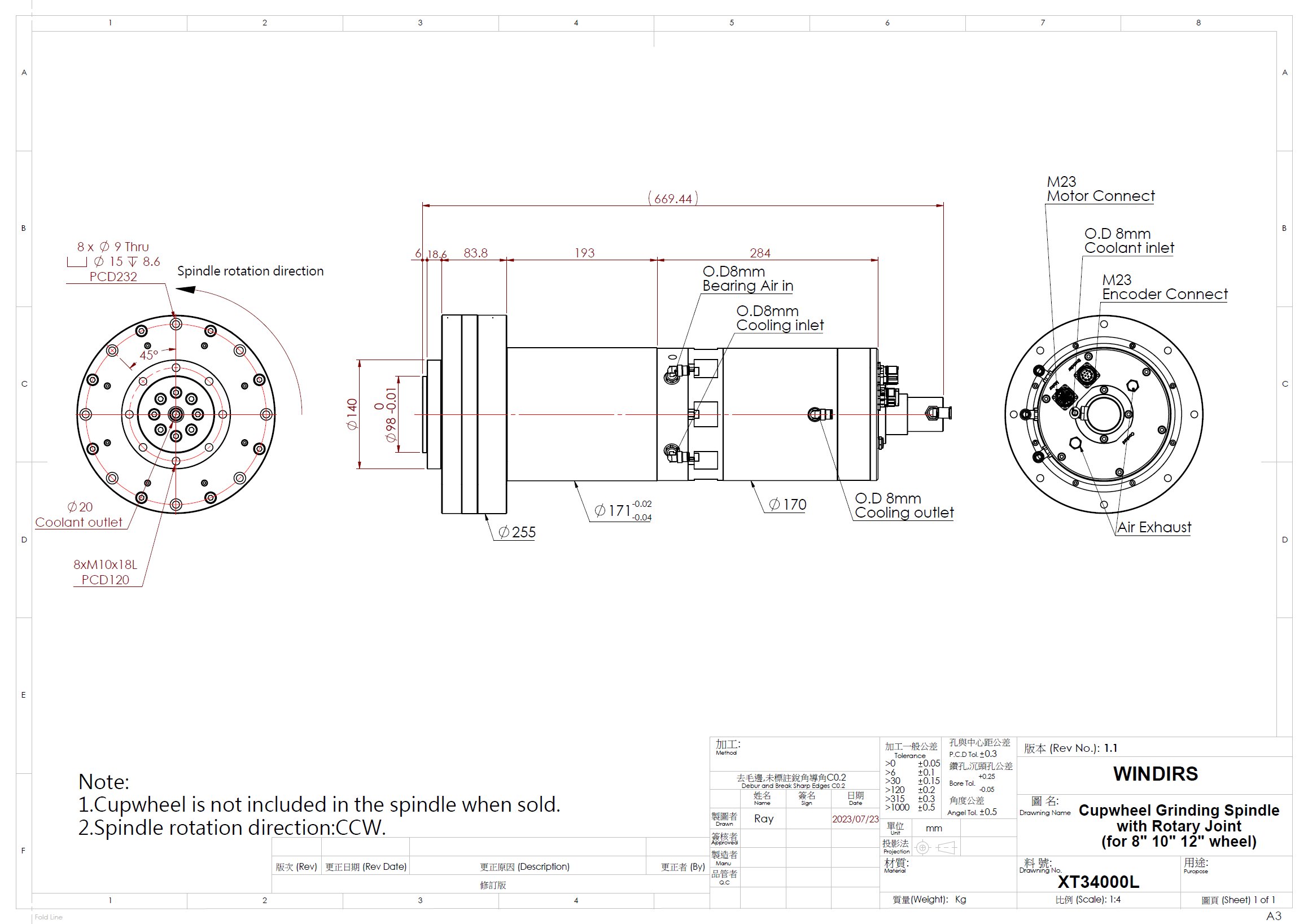
台灣自行研發製造的高精度氣靜壓研磨主軸,採用非接觸式氣靜壓軸承科技,相較於傳統的滾珠軸承主軸,具有高運動精度、低振動、高剛性、低噪音、優秀阻尼及高潔淨度等優勢。面對半導體的高精度加工需求,本氣靜壓研磨主軸在長時間精度維持、重現性保持、低熱變位有著優秀表現。本公司亦提供客製化服務以滿足客戶的各式應用。
全新一代的XT34000氣靜壓12吋晶圓研磨主軸,提供了更高的軸向承載力,較前一代提升了90%的軸向承載力,對於近期硬脆材料研磨需求,提供了更高的生產效率,非常適合SiC晶圓研磨減薄加工應用。XT34000氣靜壓研磨主軸採用進口電機,提供了大功率的輸出、超低的震動,以及可靠的加工壽命。
應用:
適用於矽晶圓、晶圓再生、矽晶圓研磨減薄、藍寶石基板、GaAs/GaN晶圓、SiC晶圓研磨減薄加工。
優點:
- 空氣靜壓軸承(Aerostatic Bearing) 科技
- 適用12吋(300mm)/10吋(250mm)/8吋(200mm)砂輪盤
- 可提供客製化砂輪盤介面
- 內藏式感應馬達科技,超低震動。
- 可選配中心出水功能
- 高精密迴轉精度(Low Error-Motion)
- 高剛性/高承載力設計結構
- 迴轉速度變動量小


